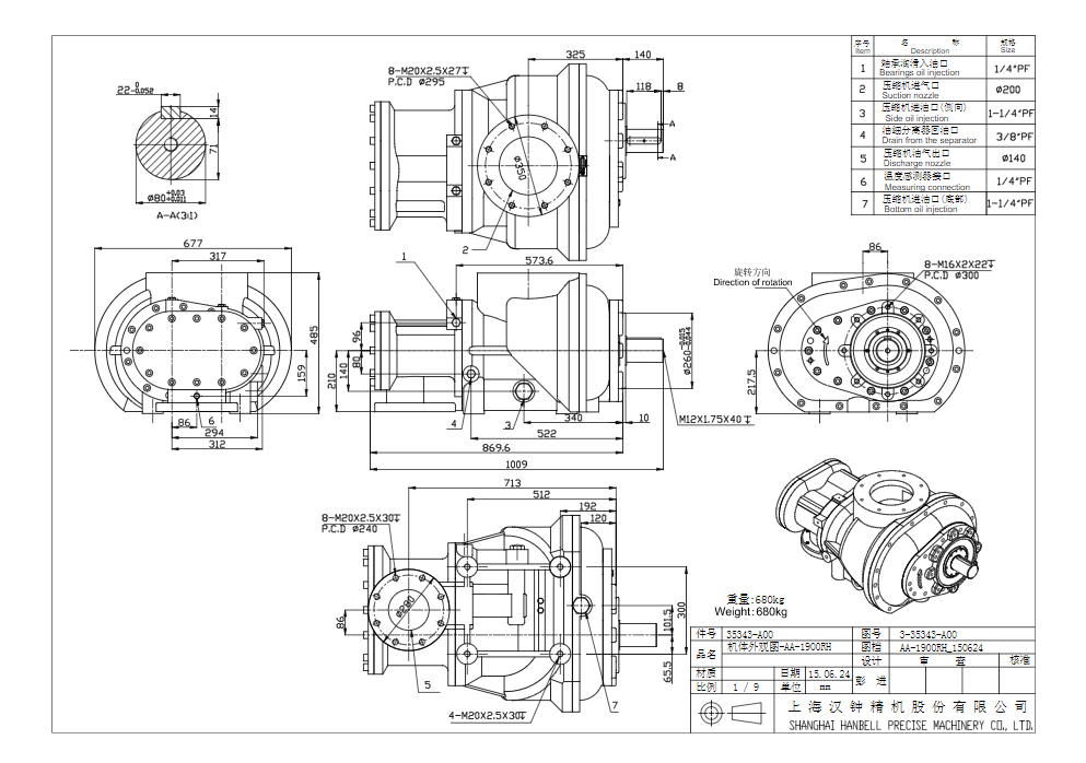
主机AA-1900RH
所属分类:主机
浏览次数:591次
发布时间:2022-10-29 18:06:32
服务热线 135-8586-9640 136-2192-5718

主机AA-1900RH



bteu.png

主机AA-1900RH



Ø 应用压力范围: 6.0-16.0 bar

Ø 八颗轴承设计,寿命长、稳定性好

Ø 高应用压力

Ø 市场应用15多年,好口碑,对标国际品牌机头

 


主机AA-1900RH



Technical Data (8 bar.g)

Rated power

Model

Rotation speed

Air flow

Shaft Power

Power consumption

S.F.

(KW)

(rpm)

(m3/min)

(KW)

(kw/m3/min)



7.5

AA-077(Belt)

3420

1

7.3

7.4

0.97

11

AA-077(Belt)

5200

1.5

11

7.2

1

15

AA-130(Belt)

3420

2

14.6

7.2

0.97

18.5

AA-210

2950

2.9

19.4

6.7

1.05

22

AA-240

2950

3.5

22.7

6.4

1.03

37

AA-420

2950

6.2

38.2

6.1

1.03

45

AA-480R

2950

7.1

47.5

6.7

1.05

55

AA-600R

2950

9.1

57.6

6.3

1.05

75

AA-780R

2950

11.9

73.3

6.1

0.98

90

AA-1030R

2950

15.7

104.5

6.6

1.08

110

AA-1200R

2950

19.4

115.5

5.9

1.05

132

AA-1320

2950

21.4

139.5

6.5

1.06

160

AA-1560

2950

23.9

151.6

6.3

0.95

185

AA-1900R

2950

29.8

186.6

6.2

1.01

250

AA-2600

2950

40.7

260.6

6.4

1.04

315

AA-3300

2950

50

323.4

6.4

1.03

355

AA-5600G

1450

60

376

6.26

1.06



主机AA-1900RH.png